Detailed information

Deep groove ball bearing for high temperature applications with shields on both sides
Single row deep groove ball bearings for high temperature applications, with shields on both sides, are designed for challenging operating conditions, with certain variants being capable of performing at temperatures as high as 350 °C (660 °F). They have larger radial internal clearances and use graphite-based lubricants that enable operation at high temperatures. They are lubricated for the life of the bearing and the entire surface of the bearings and shields are manganese phosphate treated, which enhances adhesion of the lubricant to the metal and improves their running-in properties. As with deep groove ball bearings generally, they are particularly versatile, accommodate radial and axial loads in both directions, and are easy to mount.
Optimized for operation at high temperatures – up to 250 °C
Easily swapped with grease-lubricated bearings of corresponding ISO dimensions
Increased reliability, reduced complexity and decreased environmental impact
Embedded sealing extends bearing lifespan
Typical benefits of single row deep groove ball bearings

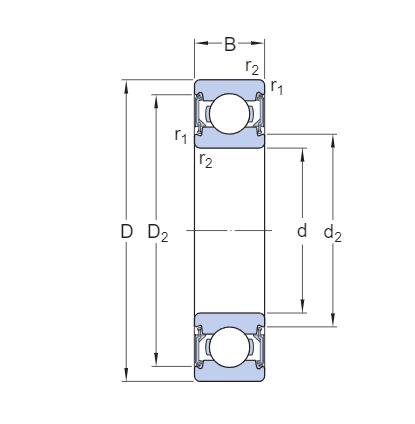
Size
| d | 30 mm | Aperture |
|---|---|---|
| D | 42 mm | Outer diameter |
| B | 7 mm | Width |
| d1 | ≈33.7 mm | Flange diameter |
| D2 | ≈39.4 mm | Groove diameter |
| r1,2 | min.0.3 mm | Chamfer size |

Shoulder stop dimension
| da | min.32 mm | Shaft shoulder diameter |
|---|---|---|
| da | max.33.6 mm | Shaft shoulder diameter |
| Da | max.40 mm | Bearing seat shoulder diameter |
| ra | max.0.3 mm | Shaft or housing chamfer radius |
Data calculation
| Basic dynamic load rating | C | 4.1 kN |
|---|---|---|
| Basic static load rating | C0 | 2.9 kN |
| Fatigue load limit | Pu | 0.146 kN |
| Reference speed | 5 000 r/min | |
| Limit speed | 3 000 r/min | |
| Minimum load factor | kr | 0.015 |
| Calculate coefficient | f0 | 13.9 |
| Operating temperature | T | max.250 °C |
|---|
Tolerance class
P5Dimensional tolerance