Detailed information

Deep groove ball bearings for high temperature applications with shields on both sides
Single row deep groove ball bearings for high temperature applications are shielded on both sides and are designed for severe operating conditions, with some types capable of withstanding temperatures up to 350 °C (660 °F). They have a larger radial internal clearance and use a graphite-based lubricant that can operate at high temperatures. They are lubricated for life and the entire surface of the bearing is treated with manganese phosphate, which enhances the adhesion between the lubricant and the metal and improves the running-in properties. Due to their wide range of applications, deep groove ball bearings are highly versatile, can accommodate axial and radial loads in both directions, and are easy to install.
Optimized for high temperature operation - up to 350 °C (660 °F)
Easy to interchange with grease-lubricated bearings of corresponding ISO sizes
Increased reliability, reduced complexity and reduced environmental impact
Inserted seals extend bearing life
Typical advantages of single row deep groove ball bearings
| Running in required | No |

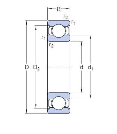
Dimensions
| d | 40 mm | Bore diameter |
|---|---|---|
| D | 68 mm | Outside diameter |
| B | 15 mm | Width |
| d1 | ≈49.25 mm | Shoulder diameter inner ring |
| D2 | ≈61.1 mm | Recess diameter outer ring shoulder |
| r1,2 | min.1 mm | Chamfer dimension |

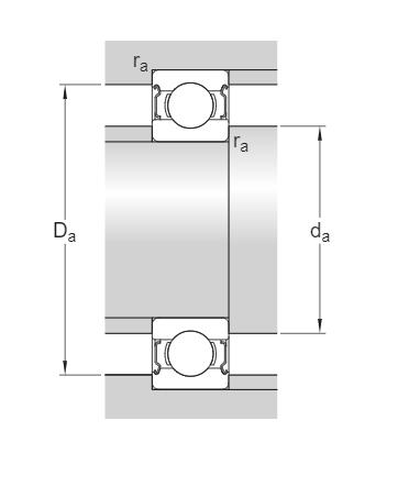
Abutment dimensions
| da | min.44.6 mm | Abutment diameter shaft |
|---|---|---|
| da | max.49.2 mm | Abutment diameter shaft |
| Da | max.63.4 mm | Abutment diameter housing |
| ra | max.1 mm | Fillet radius |
Calculation data
| Basic static load rating | C0 | 11 KN |
|---|---|---|
| Limiting speed | 180 r/min | |
| Operating temperature | T | max.250 ℃ |